Voltmeter merupakan alat ukur yang umum digunakan untuk mengukur tegangan. Voltmeter dibagi menjadi 2, yaitu voltmeter AC dan voltmeter DC. Pada dasarnya, voltmeter AC dan voltmeter DC sama prinsipnya yaitu mengukur beda tegangan.
Saat ini, alat ukur dibedakan menjadi 2 juga, yaitu alat ukur digital dan alat ukur analog. Masing-masing memiliki keunggulan yang tidak dimiliki lainnya. Sehingga, walaupun alat ukur analog sudah lebih dahulu dikenal, tapi saat ini masih dipakai sebagai alat ukur.
Untuk mengukur tegangan DC, kita bisa langsung membaca dengan ADC internal dari AVR. Namun perlu diketahui, bahwa tegangan maksimal input ke ADC adalah sebesar Vcc AVR. Sehingga jika ingin mengukur tegangan yang nilainya melebihi +5V, maka diperlukan sebuah pembagi tegangan. Pembagi tegangan ini berfungsi untuk menurunkan tegangan sampai batas kemampuan pembacaan ADC AVR.
Misalnya, kita akan mengukur tegangan DC dari 20V – 60V, maka kita mendesain pembagi tegangan yang hasilnya adalah maksimal +5V. Dengan Hukum Ohm, Hukum Kirchoff Tegangan dan Arus, maka kita dapat membuat range tegangan 20V-60V menjadi sekitar 0V-5V.
Pembagi Tegangan
Bagaimanakah caranya kita akan mendapatkan output tegangan dengan input tegangan 60V?
Caranya adalah kita membuat rangkaian pembagi tegangan yang sederhana dari dua buah resistor yang diseri. Sesuai dengan hukum Ohm, maka pada rangkaian seri, besar arus yang mengalir adalah sama, tegangan tergantung dari nilai hambatan yang dilaluinya. Secara matematik, dapat dituliskan:
V = I.R
Kemudian, jika ada dua buah resistor yang terpasang seperti gambar skema di bawah ini,
maka kita bisa menghitung nilai masing-masing tegangannya.
R1 = 11 k ohm
R2 = 1 k ohm
V = 60 Volt
maka arusnya:
I = V/R1+R2
= 60/12k
= 5 mA.
sesuai dengan hukum ohm di atas, maka arus yang mengalir pada tiap hambatan sama besarnya, sehingga tegangan masing-masing hambatan dapat dihitung:
VR1 = I . R1
= 5 mA . 11 k Ohm
= 55 Volt
VR2 = I . R2
= 5 mA . 1 k Ohm
= 5 Volt.
Jika menggunakan simulasi dengan software Altium, didapatkan grafik sebagai berikut:
Grafik tegangan VR2
Grafik IR1 dan IR2
Nampak oleh kita, bahwa antara perhitungan dengan simulasi menunjukkan persamaan. Sehingga kita bisa menggunakan nilai R1 = 11 kOhm dan R2 = 1 kOhm untuk membaca range tegangan maksimal 60VDC. Karena arus yang mengalir adalah sebesar 5mA, maka resistor yang kita pakai adalah 1/4 watt dengan toleransi 1%.
Bagimanakan jika kita ingin mengukur tegangan AC 220V?
Pada dasarnya, untuk mengukur tegangan AC 220V memiliki konsep yang sama. Tegangan AC yang akan kita ukur, kita searahkan (AC/DC) kemudian kita turunkan tegangannya sampai batas pembacaan ADC AVR. Cara lain yang bisa dipakai adalah, menurunkan tegangan dari 240 VAC ke tegangan 5VDC baru kemudian disearahkan. Perbedaan pada kedua cara tersebut adalah penentuan dan pemilihan komponen yang dipakai. Jika cara pertama yang dipakai, maka penyearah (diode) yang dipakai harus memiliki kemampuan tegangan input lebih besar, sementara hambatan yang dipakai bisa lebih kecil watt-nya. Jika cara yang kedua yang dipilih, maka hambatan yang dipakai harus mampu melewatkan arus yang lebih besar, sedangkan penyearah (diode) cukup memiliki kemampuan yang kecil.
Misalnya, kita tentukan batas atas pembacaan tegangan adalah 240 VAC, maka nilai ini kita konversi menjadi nilai 5VDC. Kita gunakan cara yang kedua, maka langkahnya:
1. Kita turunkan tegangan dari 240 V menjadi 5V
nilai hambatan yang dipakai adalah:
R1 = 1 MOhm
R2 = 22 KOhm.
Kita pilih R1 dengan nilai yang besar agar arus yang mengalir kecil, sehingga hambatan yang dipakai cukup dengan daya yang kecil.
sehingga kita bisa menghitung:
I = V/R1
= 240/1
= 24o uA
Jika menggunakan simulasi pada software Altium, kita mendapatkan hasil grafik berikut:
Gambar Grafik Output R2
Gambar Grafik setelah penyearah
dari gambar, kita melihat bahwa tegangan maksimal adalah 4,5V, sehingga tegangan inii bisa langsung dibaca oleh AVR.
Untuk melihat bagaimana konsep pembagi tegangan, silakan merujuk simulasi pembagi tegangan di sini.
Foto Sistem Voltmeter AC/DC
Tampilan Display Voltmeter AC/DC
Video Tes Voltmeter AC 1
[youtube=http://youtu.be/zyOqwYDqfH8]
Video Tes Voltmeter AC 2
[youtube=http://youtu.be/HSfJGvGRSkk]
Video Tes Voltmeter AC 2
[youtube=http://youtu.be/-Mpr0B1-o_g]
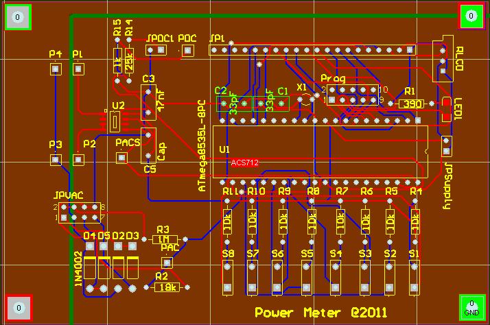
Gambar Layout PCB
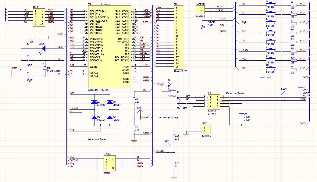
Gambar Schematic Voltmeter AC
Selamat mencoba!
untuk source code dan rangkaian silakan dicoba.









Discussion (1,905) ¬
Assalamu’alaikum..
Mas Rohmadi, mohon dikirmkan file gambar PCB utk Voltmeter AC/DC dalam ukuran besar.. mohon dikirmkan ke email saya : eryk_l@telkom.co.id atau erik_st3@yahoo.com
mohon info juga contact number mas rohmadi.. tks
salam,
Eryk
081341425678
OK. Nanti saya kirimkan.
misi gan, boleh minta list program instruksinya gak?
terimakasih 😀
sama mas.,
saya juga minta tolong dikirimkan list programnya.,
r.zulianto07@gmail.com
thanks b4
emailnya apa?
r.zulianto07@gmail.com
Assalamu’alaikum mas Rohmadi..
Bisa kirimkan gambar PCB dan elektronikanya + kalo bisa programnya juga ke e-mail saya maizal_isnen@yahoo.co.id.
Terimakasih sebelumnya Mas…
Wassalam…
Assalamu’alaikum mas …
Nice tutorial 😀
Bisa minta gambar schematic + pcb dan juga listing programnya (kalo boleh) ke email hilmi_wicaksono@yahoo.com
Sebelum dan sesudahnya saya ucapkan terima kasih banyak mas ….
Wassalam wr. wb
sama seperti yang lainnya, mas minta listing program dan layout pcb-nya dong, kirim ke almunajib@gmail.com ya
Terima kasih banyak mas
Assalamualaikum Wr. Wb.
mas minta program sama daftar rangkaiannya dong mas,
ini alamat email saya: fajarnursyamsi@ymail.com
ijin sedot schematicnya gan…btw boleh minta source code nya buat belajar mikrokontroller ngk?kalo boleh mohon ke email kasman5574@gmail.com..makasih gan
Assalamu’alaikum mas Rohmadi..
Bisa kirimkan gambar PCB dan elektronikanya dan listing programnya juga ke e-mail saya
assalamu’alaikum.Wr.Wb.
mas, tolong kirimin schematic dan lay out PDB nya mas..sekalian kl boleh, source code nya juga. ini alamat email saya ..eka_defiyani@yahoo.co.id
sebelumnya, terima kasih banyak mas..
mas sama seperti yang lainnya, mas minta listing program dan layout pcbnya dong mas, kirim ke saputra.nopri@yahoo.co.uk
Terima kasih banyak mas
mas, blh minta rangkaian dan programnya?
saya tertarik mau belajar..
email saya:
fungkyking01@gmail.com
@All: silakan mengunduh dari link di atas yang telah saya tambahkan. Semoga bermanfaat.
Jika ada masukan, silakan di share disini.
mas ada simulasi di proteusnya?
klo simulasi, tidak ada karena tidak pernah menggunakan proteus. trims
Mas saya pernah bikin rangkaian dan program sendiri sendiri tp hasilnya naik turun ga stabil..
boleh minta listing programnya.. terima kasih
slowpox@gmail.com
mas, q mau buat voltmeter dc, untuk memonitor tegangan baterai 6V, rangkaian apa sebelum masuk ke PortA0(ADC) untuk memenuhi kriteria ADC agar IC tidak rusak?
selain pembagi tegangan.
mas boleh minta list programnya fga ? kirim ke email saya frigid_moon10@yahoo.com trims
mas boleh minta listingnya… ni email saya ice.shield37@gmail.com. terima kasih sebelumnya…
silakan download di atas.
assalamu’alaikum.Wr.Wb.
mas boleh share layout PCB ma program na ke email sya
haris15ful@ovi.com
seblum na terima kasih
http://www.produk-inovatif.com/File%20Download/Power%20Meter%202×16.rar
http://www.produk-inovatif.com/File%20Download/ACS712%20Current%20Sensor.rar
Mas…, link ini kok kosong ya…, nggk bisa didownload…., apakah sdh dihaps..???
ada link download lainny nggk mas…???ato bisa dikirimkn ke alvian.bastian@gmail.com
terima kasih sblumny
pak saya mau minta programnya bisa?
Silakan cek link di atas. terima kasih
pak mohon pencerahannya.
Voltmeter sya udah jalan pak tapi vmax cuma sampai 5Vdengan program utama seperti ni pak:
lcd_clear();
temp=read_adc(0);
vin=((float)temp*5/1023);
lcd_gotoxy(0,0);
lcd_putsf(“==voltmeter==”);
lcd_gotoxy(2,1);
sprintf(lcd_buffer,”volt: %0.0001f V “,vin);
lcd_puts(lcd_buffer);
delay_ms(100);
sekarang sya mau ningkatin vmax yang mampu diukur 6,3v.
gimana logikanya itu pak?
Jika mau mengukur dengan batas ukur maksimum (BU) 6,3 Volt berarti harus membuat pembagi tegangan. Karena nilai tegangan yang diperbolehkan untuk di hubungkan ke pin input mikrokontroller adalah 5V. Sehingga idealnya nilai BU dibuat 5 Volt. Anda tinggal mencari nilai resistor sebagai pembagi tegangan yang menghasilkan tegangan maksimal 5 Volt.
sudah mas, sekarang yang bingung itu bagaimana membuat program 0-5V=0-6,3V.
mohon pencerahannya…
jika sudah=
tentukan nilai kalibrasi, secara sederhana adalah:
Nilai pembacaan ADC 10-bit adalah maksimum 1024 bit ekuivalen dengan 6300 milivolt.
Sehingga nilai kalibrasi = 6300/1024
= 6,15
nilai pembacaan (milivolt) = 6.15 * nilai_ADC
asssalamualaikum, saya Isra Ismail..
emailkan saya semua fail2 mengenai projek ini..
kerana saya ingin membuat rujukan untuk final project saya..
writetoisra@yahoo.com.my
Silakan mengunduh file dari link yang saya tuliskan di atas.
apakah software yang dugunakan untuk membuat project ini..?
apakah software yang digunakan untuk membuat project ini?
Code Vision AVR C Compiler.
Untuk melakukan simulasi rangkaian elektronik menggunakan software Altium Desainer.
dimana saya bisa mendapatkan software tersebut, bisa link..
@Isra Ismail: saya mendapatkan software tersebut dari teman, tidak mendapatkan dari internet, jadi saya tidak memiliki link referensi untuk download.
Bisa gak, email kepada saya..
2 software tersebut… writetoisra@yahoo.com.my
saya tidak bisa mengirim lewat email karena ukuran yang besar.
Untuk Altium bisa 1,7 GB.
Mas link ini kok kosong…???nggk bisa didownload, apakah sdh dihapus..???
http://www.produk-inovatif.com/File%20Download/Power%20Meter%202×16.rar
http://www.produk-inovatif.com/File%20Download/ACS712%20Current%20Sensor.rar
ato mngkin bisa dikirimkn ke:alvian.bastian@gmail.com
terima kasih sebelmnya..
coba cek link terbaru. disini:
http://rohmadi.com/2012/12/06/source-voltmeter-acdc/
Terima kasih mas…, dah terdownload… 🙂
sama-sama. mohon masukannya…
Mas link di atas cuma schematic PCB-nya, klo listing programnya ada nggk mas…
Terima kasih sebelumnya…
Oh maaf mas, aku slah download… 🙂
ok
mas saya gak bisa download skematik & coding ny mas ,, bisa krim k email saya mas eendhendra.end@gmail.com lagi butuh mas, mohon bantuan nya
untuk source sensor arus:
http://produk-inovatif.com/Download/ pada bagian ACS712
untuk pengukur tegangan saya tidak merekomendasikan menggunakan metode diatas, karena ada kemungkinan dapat merusak peralatan lain.